

STING法による
超臨界メタノール式
軽油代替燃料
超臨界メタノール式
軽油代替燃料
全ての油脂を燃料に!
バイオマスエネルギーの一環として
植物油・動物油などのあらゆる油を原料とする
軽油代替燃料=SDF
触媒を必要としないSTING法による製造法は
グリセリンの副生や排水処理の心配がありません。
植物油・動物油などのあらゆる油を原料とする
軽油代替燃料=SDF
触媒を必要としないSTING法による製造法は
グリセリンの副生や排水処理の心配がありません。
SDFとは
SDF=Sting bio Diesel Fuel
STING法によって生成されるバイオディーゼル燃料。
STING法
Simultaneous reaction of Transesterification
and thermal crack ING (エステル化と熱分解の同時反応)
「超臨界メタノール法」の新技術
独立行政法人 農業・生物特定産業技術研究機構(NARO)
中央農業総合研究センター作業技術研究部農産エネルギー研究室 (中央農研)
で開発された先端技術です。
SDF=Sting bio Diesel Fuel
STING法によって生成されるバイオディーゼル燃料。
STING法
Simultaneous reaction of Transesterification
and thermal crack ING (エステル化と熱分解の同時反応)
「超臨界メタノール法」の新技術
独立行政法人 農業・生物特定産業技術研究機構(NARO)
中央農業総合研究センター作業技術研究部農産エネルギー研究室 (中央農研)
で開発された先端技術です。
特許公開番号 特開第2005-60591法(平成17年3月公開)
発明の名称 副産物を生成しないバイオディーゼル燃料の無触媒製造法
国際出願番号 PCT/JP2004/011485
発明の名称 副産物を生成しないバイオディーゼル燃料の無触媒製造法
国際出願番号 PCT/JP2004/011485
STING法の目的
「廃棄物ゼロ」を実現する
軽油代替燃料の製造
一般的なバイオディーゼル燃料は、BDFと呼ばれ
植物油をメタノールでエステル交換することで精製されます。
現在、主流となっている触媒法は仕組みが簡単であることから、
ビーカーでの実験室レベルから日量数トンの能力をもつプラントまで様々な規模で用いられています。
工程の中で副生されるグリセリン触媒洗浄に使用する排水処理などの点が問題となっています。
植物油をメタノールでエステル交換することで精製されます。
現在、主流となっている触媒法は仕組みが簡単であることから、
ビーカーでの実験室レベルから日量数トンの能力をもつプラントまで様々な規模で用いられています。
工程の中で副生されるグリセリン触媒洗浄に使用する排水処理などの点が問題となっています。
STING法の利点
-
- (1) 従来法より凝固点を10℃以上低下
ラード、牛脂、硬化油脂等々を燃料化
- (2) グリセリン生成量1%未満
- (3) 無触媒のため燃料の洗浄が不要
副産物の処理・排水処理が不要
- (4) 原料油の酸化、水分等の影響が微小
従来法で対象外であった油脂も燃料化
- (5) ゴムに対する腐食性は比較的軽微


無触媒プロセス
アルカリ触媒法
アルカリ触媒法は、前処理(水分除去等)した使用済み植物油を60~70度に暖めメタノール・水酸化カリウムを添加し、エステル化反応をさせ、脂肪酸メチルエステルと粗グリセリンを取り除き中和・洗浄処理してBDFとなります。
アルカリ触媒法
アルカリ触媒法は、前処理(水分除去等)した使用済み植物油を60~70度に暖めメタノール・水酸化カリウムを添加し、エステル化反応をさせ、脂肪酸メチルエステルと粗グリセリンを取り除き中和・洗浄処理してBDFとなります。

STING法
使用済み動植物油とメタノールを超臨界状態(高温・高圧)にして、触媒を用いず、エステル交換反応と熱分解反応でSDFを生成します。グリセリンを副生しない機構は、酸化開裂などの分解によって分子構造を小さくして、 脂肪酸メチルエステル、アルコール、エーテル等に改質します。
使用済み動植物油とメタノールを超臨界状態(高温・高圧)にして、触媒を用いず、エステル交換反応と熱分解反応でSDFを生成します。グリセリンを副生しない機構は、酸化開裂などの分解によって分子構造を小さくして、 脂肪酸メチルエステル、アルコール、エーテル等に改質します。

プロセスの比較

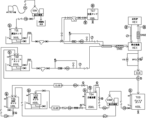
装置概要フロー図


研究
独立行政法人 農業・食品産業技術総合研究機構(NARO)
中央農業総合研究センター バイオマス資源循環研究チーム
独立行政法人 農業・食品産業技術総合研究機構(NARO)
中央農業総合研究センター バイオマス資源循環研究チーム
設計・製造・販売
株式会社 大翔テック
株式会社 大翔テック










